Advanced Search+
Jinwei BAI, Yong CAO, Yang LI, Kaifa WANG, Bin TIAN, Yuan HU. Numerical study of the radio-frequency biased accelerating system in ion thrustersJ. Plasma Science and Technology, 2023, 25(8): 085502. DOI: 10.1088/2058-6272/acbef4
Citation: Jinwei BAI, Yong CAO, Yang LI, Kaifa WANG, Bin TIAN, Yuan HU. Numerical study of the radio-frequency biased accelerating system in ion thrustersJ. Plasma Science and Technology, 2023, 25(8): 085502. DOI: 10.1088/2058-6272/acbef4

Numerical study of the radio-frequency biased accelerating system in ion thrusters

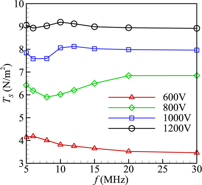
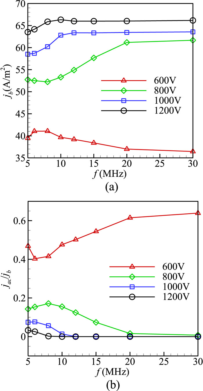
  • A 2D-3V implicit immersed-finite-element particle-in-cell (IFE-PIC) model is introduced to investigate the radio-frequency (RF) self-bias accelerating system applied in the RF ion thruster. A set of holes in a two-grid system with slit apertures is simulated in Cartesian coordinates. The characteristics of the plasma plume, such as the ion density, the neutralization rate and the ion and electron current density were investigated for different RF voltage amplitudes (600−1200 V) and frequencies (6−30 MHz). Furthermore, the performance of the thruster was also carefully studied. The simulation results show that a well-focused plasma beam can be formed when the voltage amplitude is larger than 900 V and the frequency exceeds the reciprocal of ion transit time (≥12 MHz) in our simulation cases. The performance of the system can be evidently improved by increasing the voltage amplitude and the frequency, and the losses of the particle and thrust are reduced correspondingly. The bulk region of the plasma beam downstream shows good quasi-neutrality, and the ions are dominant in the peripheral region when a well-focused state is achieved. The high ion density beamlet in the periphery of the ion beam is closer to the axis when the voltage amplitude is increasing, while it is expanded radially when increasing the frequency. Backstream electrons have been observed upstream, and this mainly occurs in the phase in which the electron cannot escape.
  • loading

Catalog

    Turn off MathJax
    Article Contents

    /

    DownLoad:  Full-Size Img  PowerPoint
    Return
    Return