Advanced Search+
Yifan ZHANG, Takumi ONCHI, Kazuo NAKAMURA, Qilin YUE, Takahiro NAGATA, Shoji KAWASAKI, Kengoh KURODA, Makoto HASEGAWA, Ryuya IKEZOE, Takeshi IDO, Kazuaki HANADA, Hiroshi IDEI. Initial testing of ohmic heating through double flux swing during electron cyclotron start-up in the QUEST spherical tokamakJ. Plasma Science and Technology, 2023, 25(5): 055104. DOI: 10.1088/2058-6272/acafc2
Citation: Yifan ZHANG, Takumi ONCHI, Kazuo NAKAMURA, Qilin YUE, Takahiro NAGATA, Shoji KAWASAKI, Kengoh KURODA, Makoto HASEGAWA, Ryuya IKEZOE, Takeshi IDO, Kazuaki HANADA, Hiroshi IDEI. Initial testing of ohmic heating through double flux swing during electron cyclotron start-up in the QUEST spherical tokamakJ. Plasma Science and Technology, 2023, 25(5): 055104. DOI: 10.1088/2058-6272/acafc2

Initial testing of ohmic heating through double flux swing during electron cyclotron start-up in the QUEST spherical tokamak

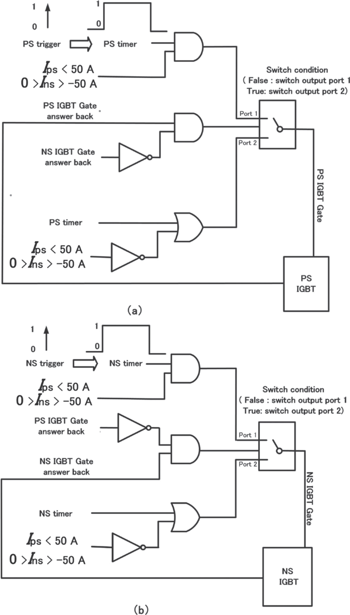
  • A power-supply system was developed for Ohmic heating (OH) to double × 1018 the amount of change magnetic flux in the primary central solenoid (CS) on the QUEST spherical tokamak. Two power supplies are connected with stacks of insulated-gate bipolar transistors, and sequentially operated to generate positive and negative CS currents. This bipolar power-supply system is controlled via a field-programmable gate array, which guarantees the safety of the entire system operation. The new OH system, assisted by electron cyclotron heating, enables the stable generation of plasma currents exceeding 100 kA. Moreover, the achieved electron density over the wide range in the major radial direction exceeds the cut-off density for one of the high-power microwave sources in QUEST. This strategy yields target plasmas for future experiments with the electron Bernstein wave.
  • loading

Catalog

    Turn off MathJax
    Article Contents

    /

    DownLoad:  Full-Size Img  PowerPoint
    Return
    Return